首页
关于亿万28网页版官方-亿万28入口网页版-亿万28网页版网址-亿万28网页在线玩-28游戏官网在线玩-亿万e网址pg-亿万28模拟器-亿万28娱乐-亿万28线上网
产品中心
新闻资讯
服务支持
联系我们
language
中文
English
首页
关于亿万28网页版官方-亿万28入口网页版-亿万28网页版网址-亿万28网页在线玩-28游戏官网在线玩-亿万e网址pg-亿万28模拟器-亿万28娱乐-亿万28线上网
产品中心
新闻资讯
服务支持
联系我们
中文
English
传动原理
技术特点
编号规则
HMCG系列
HMHG系列
HMCD系列
HMHD系列
首页
>
产品中心
>
HMHG系列
传动原理
技术特点
编号规则
HMCG系列
HMHG系列
HMCD系列
HMHD系列
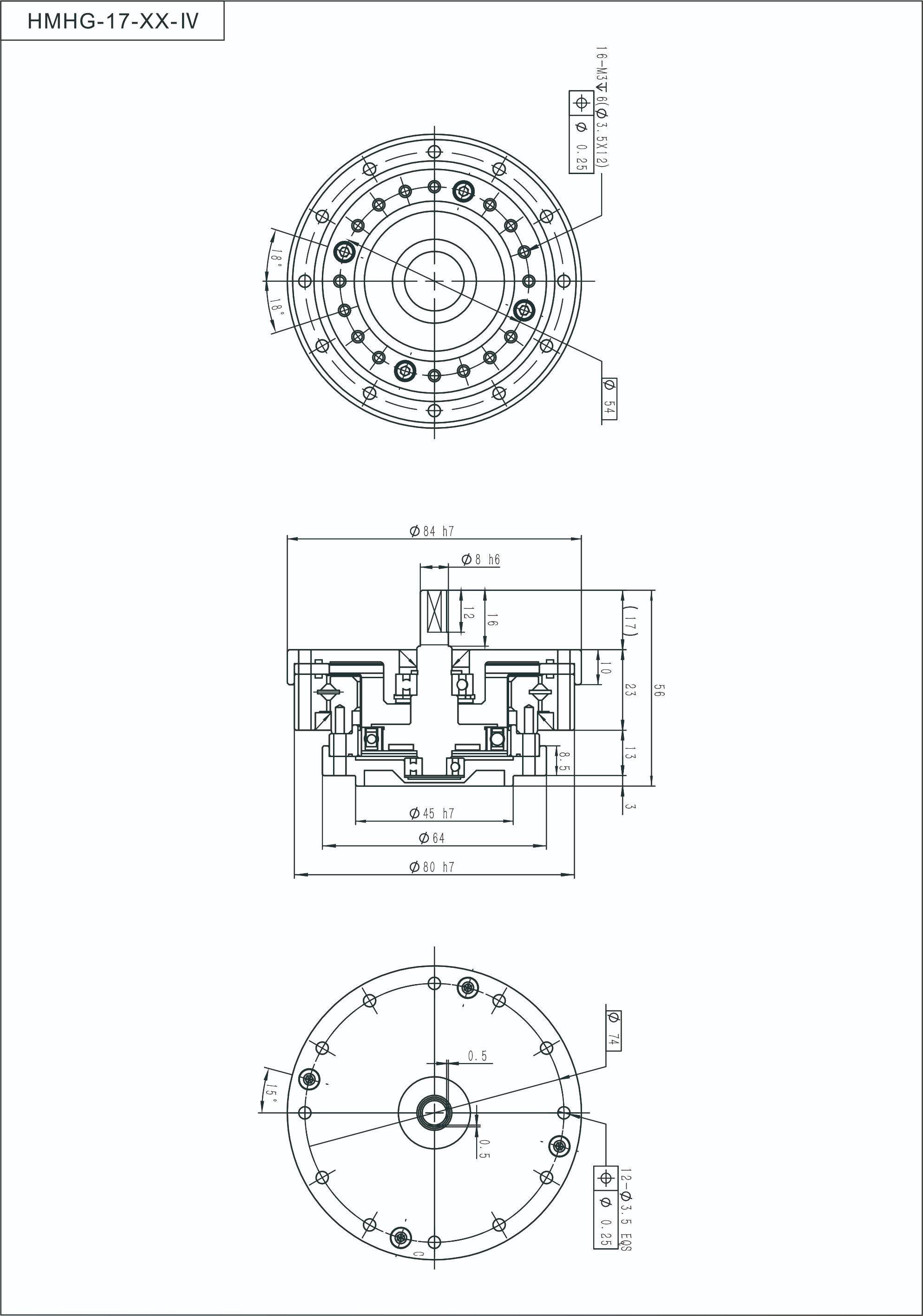
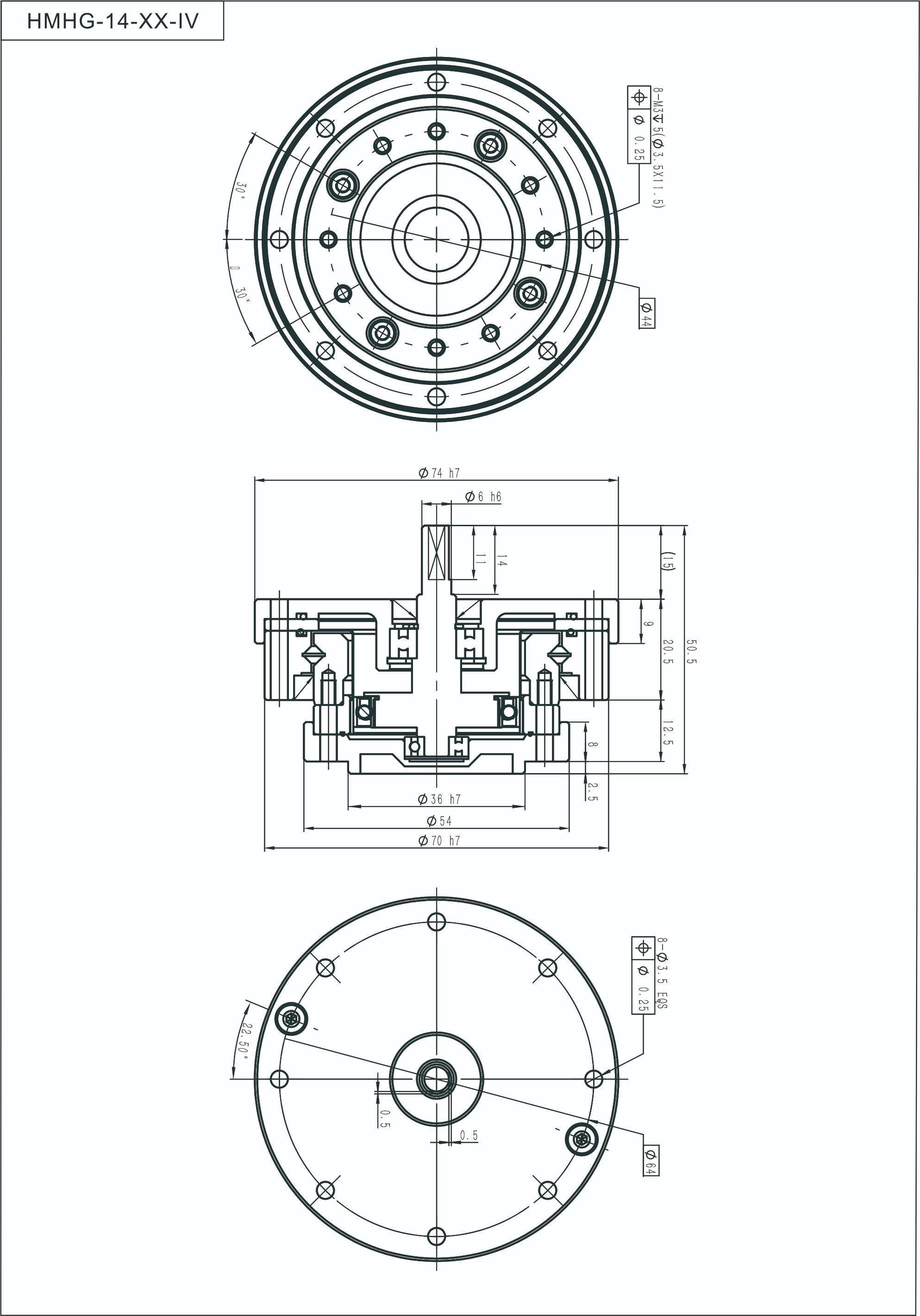
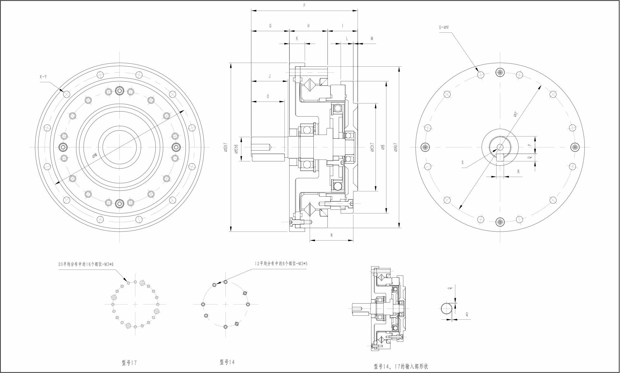
HMHG-IV系列谐波减速器
HMHG-Ⅳ系列柔轮为中空翻边形标准结构,波发生器凸轮自带输入轴,减速器内部设计有支撑轴承,全密封结构,安装简便,非常适合于需要在输入端安装伞齿轮或同步带传动的场合使用。
产品特点
可对应多种输入形态
紧凑简洁的设计
无齿隙
输入输出同轴
优良的定位精度和旋转精度
性能参数表
整体尺寸图
HMHG-14-XX-IV
HMHG-17-XX-IV
HMHG-20-XX-IV
HMHG-25-XX-IV
HMHG-32-XX-IV
HMHG-40-XX-IV